17hs3401 Outlet
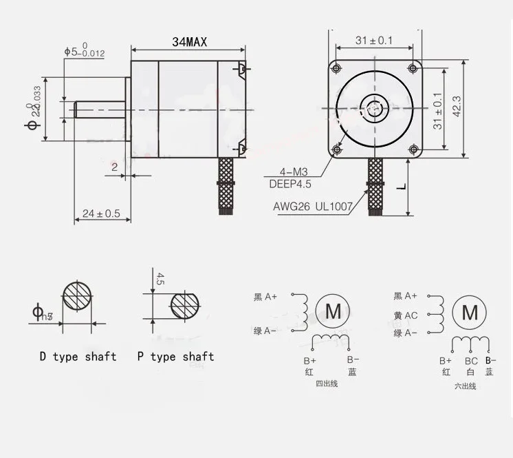
17hs3401 Outlet, 1pc New 17HS3401 34mm 1.8 Degree Nema 17 Stepper Motor 42 Motor 42BYGH 1.3A 28N.cm 4-Lead for CNC 3D Printer Monitor Equipment: Amazon.com: Industrial \u0026 Scientific Outlet
SKU: 2c20ca2a

Buy now.
Pay later.
Earn rewards
Representative APR: 29.9% (variable)
Credit subject to status. Terms apply.
Missed payments may affect your credit score
FrasersPlus
Available Products